
|
一、概述 |
|
油浸式試驗變壓器是根據機電部《試驗變壓器》標準在原同類產品基礎上經過大量改進后而生產的,交直流油浸式試驗變壓器是在試驗變壓器的基礎上按照國家標準《JB∕T 9641-1999》經過改進后而生產的一種新型產品。本系列產品具有體積小、重量輕、結構緊湊、功能齊全、通用性強和使用方便等特點。特別適用于電力系統、工礦企業、科研部門等對各種高壓電氣設備、電器元件、絕緣材料進行工頻或直流高壓下的絕緣強度試驗。是高壓試驗中必不可少的重要設備。 |
|
二、產品結構 |
|
本系列產品鐵芯為單相芯式,采用優質冷軋取向硅鋼片疊制而成,緊固方式采用鋼材作夾件。高壓線圈為圓筒多層塔式,由優質聚酯漆包線及高耐壓值絕緣材料繞制而成。低壓線圈在外,儀表線圈為一獨立繞組,一般情況下為100V。殼體為八角形,10kVA以上的油浸式試驗變壓器裝有可移動的鐵輪。具有重量輕、體積小、移動方便、性能優越等特點。其外部結構圖見圖1,內部結構圖見圖2。
1-短路桿D 2-均壓球 3-高壓套管 4-變壓器提手 5-油閥 6~7-次壓輸入a、x 8~9-測量端子E、F 10-變壓器外殼接地端 11-高壓尾X 12-高壓輸出A 13-高壓硅堆 14-變壓器油 15-鐵芯 16-次低壓繞組 17-測量繞組 18-二次高壓繞組 注:在交直流油浸式試驗變壓器中,a、x為低壓輸入端子,E、F為儀表測量端子,A、X為高壓輸出。交流油浸式試驗變壓器中無高壓硅堆。 |
|
三、工作原理 |
|
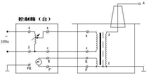
油浸式試驗變壓器為單相變壓器,用工頻220V或380V電源接入操作箱(臺),經操作箱內自耦調壓器調節至0-200V或0-400V電壓輸出至試驗變壓器的初組繞組,根據電磁感應原理,在試驗變壓器高壓繞組可獲得試驗所需的高電壓。 1. 交流油浸式試驗變壓器:見圖3
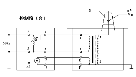
圖3:交流油浸式試驗變壓器原理圖 2. 交直流油浸式試驗變壓器:見圖4 圖中高壓套管中裝有高壓硅堆,串接在高壓回路中作半波整流,以獲得直流高電壓。當用一短路桿將高壓硅堆短接時,可獲得工頻高電壓,作為交流輸出狀態;取消短路桿時,作為直流輸出狀態。
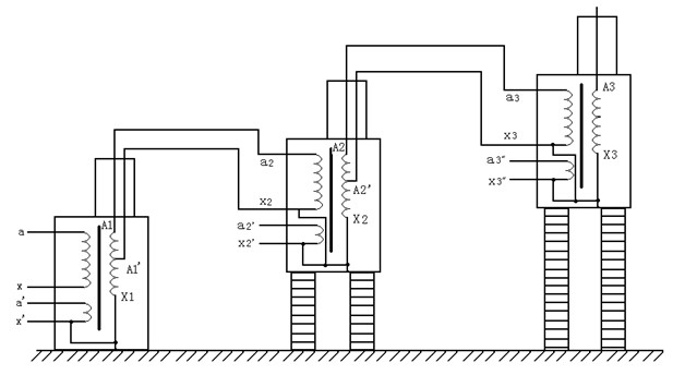
圖4:交直流油浸式試驗變壓器原理圖 圖中:D – 短路桿 VD – 高壓硅堆 3. 串級油浸式試驗變壓器接線及原理:如圖5 串級油浸式試驗變壓器有很大的優越性,三臺試驗變壓器串級連接可獲得更高的電壓,因為整個試驗裝置由幾臺單臺試驗變壓器組成,單臺試驗變壓器容量小、電壓低、重量輕,便于運輸和安裝。它既然可串接成高出幾倍的單臺試驗變壓器輸出電壓組合使用,又可分開成幾套單臺試驗變壓器單獨使用。整套裝置投資小,經濟實惠。圖5中,在第一級和第二級的每個單元試驗變壓器中都有一個勵磁繞組A1、C1和A2、C2。在串級試驗變器基本原理圖中,低壓電源加在試驗變壓器I的初級繞組a1x1上,單臺試驗變壓Ⅰ、Ⅱ、Ⅲ的輸出電壓都是V。勵磁繞組A1、C1給第二級試驗變壓器Ⅱ的初級繞組供電;第二級試驗變壓器Ⅱ的勵磁繞組A2、C2給第三級試驗變壓器Ⅲ的初級繞組供電。第二級試驗變壓器Ⅱ和第三級試驗變壓器Ⅲ的箱體分別處在對地為1V和2V的高電位上,所以箱體對地是絕緣的,試驗變壓器I的箱體是接地的。這樣第一級、第二級、第三試驗變壓器對地的額定輸出電壓分別為1V、2V、3V;其額定容量分別為3P、2P、1P。
圖5
|
百度“創億電氣”,輕松找到我們
武漢創億電氣設備有限公司
銷售熱線:027-65606042 售后服務:027-65611317
24小時服務熱線:13638682503
地址:江漢區新華下路新華家園二區
工信部備案號:鄂ICP備:11014546號